(1)結構特點
支架、箱體屬于機器的基礎零件,其主要作用是支承并保證各零部件在機器中的正確位置。因此,支架箱體類零件的加工質量對機器的質量有很大影響。如圖5.3.12所示,這類零件的特點是:結構復雜,有互相平行或垂直的孔系,有平面作為裝配基準,孔系與基準平面的位置精度要求較高。支架的結構與箱體類似,但比箱體簡單。
(2)工藝原則
1)先面后孔

圖5.3.12 支架箱體類零件
支架箱體類零件的裝配基準(平面)可作為工藝過程中的定位基準,一般應先加工。這既符合基準重合原則,又符合先基準后其他的原則,故對于支架箱體類零件應遵循先面后孔的原則。
2)粗精加工分開
支架箱體類零件結構復雜、剛性較差,為了減少粗加工后的變形,一般要在主要平面和支承孔的粗加工全部完成之后,再進行精加工。
3)合理選用機床
根據支架箱體的結構、尺寸和精度要求,選擇合適的設備加工。
(3)工藝過程
單件、小批生產精度要求較高的支架箱體類零件的主要工藝過程建議為:鑄造毛坯(包括鑄件退火)—劃線—粗加工主要平面—粗加工支承孔—精加工主要平面—精加工支承孔。其他次要表面的加工,可根據情況穿插進行。螺釘孔的加工往往放在最后進行。
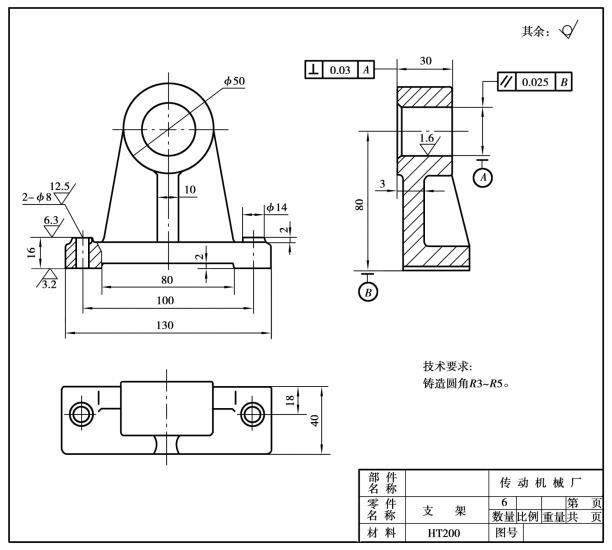
(4)單孔支架加工工藝
單孔支架雖然結構簡單,工藝也不復雜,但卻反映了一般支架箱體類零件的基本工藝過程。圖5.3.13所示的單孔支架的工藝見表5.3.7。
表5.3.7 單孔支架工藝卡片

續表

注:因本支架剛性較好,技術要求也不很高,故粗、精加工不必分開,也不安排時效處理。

圖5.3.13 單孔支架
3.3.3 套類零件
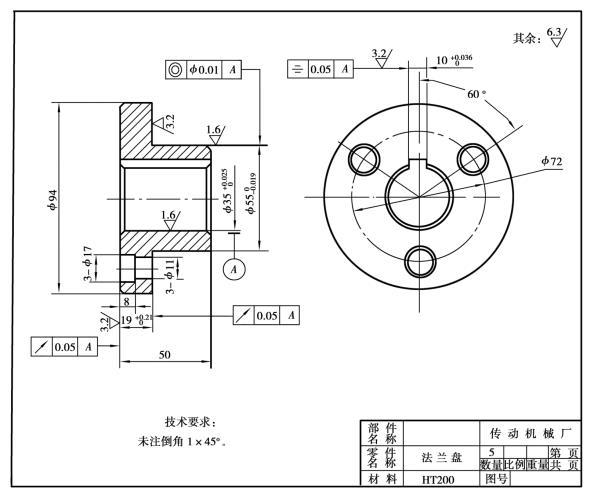
盤套類零件的種類很多,如圖5.3.14所示,按用途大致可分為傳動輪、軸承套、軸承端蓋和套筒等,其結構基本類似。位置精度主要有外圓對內孔軸線的徑向圓跳動(或同軸度)、端面對內孔軸線的端面圓跳動(或垂直度)等。現以圖5.3.15所示的法蘭盤為例介紹一般盤套類零件的基本工藝過程。

圖5.3.14 盤套類零件

圖5.3.15 法蘭盤
該法蘭的結構特點是中孔回轉體,帶有鍵槽和法蘭螺栓孔。其關鍵的技術要求有:φ550-0.019外圓表面對φ350+0.025孔基準軸線的同軸度要求;兩端面相對基準軸線的端面圓跳動要求;各表面粗糙度R a值均在1.6以上,尺寸精度等級IT7~IT6。故可按回轉面在車床上加工,鍵槽在插床上加工,粗、精加工分開來安排工藝過程,見表5.3.8。
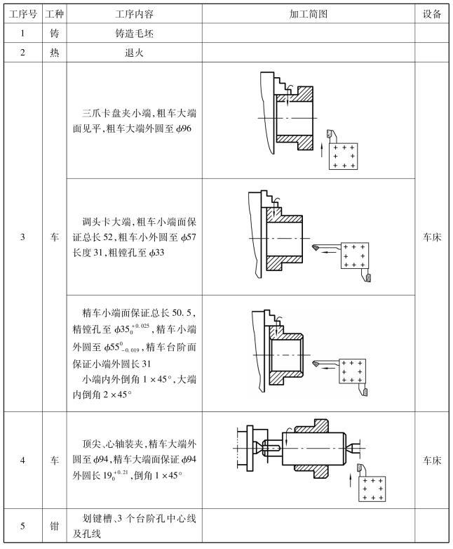
表5.3.8 法蘭盤工藝卡片

續表














